



Rated currents from 1 to 200A
额定电流1~200A
High attenuation performance up to 300 MHz
高衰减性能高达300MHz
Voltage rating 440VAC for world wide acceptance
为世界所广泛接受的额定电压440VAC
Technical Data 技术参数
| Max continuous operating voltage(最大电压): | 250/440VAC,50/60Hz |
| Operating frequency(工作频率): | DC to 60Hz |
| Rated currents(额定电流): | 3~200A@40°C |
| High potential test voltage(耐电压): | L-N 1600VDC |
| L-L 2250VDC | |
| L/N-G 4000VDC | |
| Overload Current(过载电流): | 1.5x rated current for 1 minute, once per hour |
| Climatic category(气候类别): | -25°C~+85°C(25/85/21) |
| Design corresponding to(设计标准): | UL1283, CSA C22.2 No.8, |
| IEC/EN 60939, | |
| CQC GB 15288/GB 15287-2008 | |
| Flammability corresponding to(防火等级): | UL 94V-0 |
Features 产品特点
Protection against interference voltage from the maims
--防止干扰电压
Advanced two-stage filter circuits with highly saturating resistant toroidal inductors
--具有高抗饱和环形电感器的先进两级滤波电路
Customized products according to customers' requirements
--可按客户要求定制不同规格产品
Typical Applications 应用范围
Applications requiring high-frequency attenuation
--需要高频衰减的应用
High power office equipment
--大功率办公设备
Power supplies
--供电电源
Office and data processing equipment
--办公室和数据处理设备
命名原则说明
Tabulates 产品列表
| Model No. |
Rated Current @40°C 额定电流 |
Terminal Options* 输出方式 |
Leakage current 440V/50Hz 漏电流 |
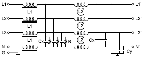
Electrical Schematic 电路图 |
Rated Voltage(V) 额定电压 |
Operating Frequency(Hz) 工作频率 |
||||||||||||||||||||||||||||||
| 型号 | ||||||||||||||||||||||||||||||||||||
|
|
|
|
||||||||||||||||||||||||||||||||||
| YX93G2-3A | 3A | Q | S | T | <5.0mA | Fig.1 | 250/440V | 50/60Hz | ||||||||||||||||||||||||||||
| YX93G2-6A | 6A | Q | S | T | Fig.1 | |||||||||||||||||||||||||||||||
| YX93G2-10A | 10A | Q | S | T | Fig.1 | |||||||||||||||||||||||||||||||
| YX93G3-15A | 15A | Q | S | T | Fig.1 | |||||||||||||||||||||||||||||||
| YX93G3-20A | 20A | - | S | T | Fig.1 | |||||||||||||||||||||||||||||||
| YX93G3-25A | 25A | - | S | T | Fig.1 | |||||||||||||||||||||||||||||||
| YX93G3-30A | 30A | - | S | T | Fig.1 | |||||||||||||||||||||||||||||||
| YX93G5-40A | 40A | - | S | T | <10.0mA | Fig.1 | ||||||||||||||||||||||||||||||
| YX93G5-50A | 50A | - | S | T | Fig.1 | |||||||||||||||||||||||||||||||
| YX93G4-60A | 60A | - | S | T | Fig.1 | |||||||||||||||||||||||||||||||
| YX93G4-70A | 70A | - | S | T | Fig.1 | |||||||||||||||||||||||||||||||
| YX93G4-80A | 80A | - | S | T | Fig.1 | |||||||||||||||||||||||||||||||
| YX93G4-100A | 100A | - | S | T | <20.0mA | Fig.1 | ||||||||||||||||||||||||||||||
| YX93G4-130A | 130A | - | S | T | Fig.1 | |||||||||||||||||||||||||||||||
| YX93G6-150A | 150A | - | S | T | Fig.1 | |||||||||||||||||||||||||||||||
| YX93G6-200A | 200A | - | S | T | Fig.1 | |||||||||||||||||||||||||||||||
*Q: Fast-on 6.35x0.8mm
S: Screw lug
W: Wire UL1015 18AWG
Electrical schematic 电路图
Standard type
Fig.1
Mechanical Dimension外形图(Unit: mm)
| Case | G1 | G2 | G3 | G4 | G5 | G6 |
Tolerances 公差 |
|||||||||||||||||
| A | 72 | 98 | 120 | 200 | 150 | 260 | ±1 | |||||||||||||||||
| B | 65 | 80 | 100 | 127 | 105 | 170 | ±1 | |||||||||||||||||
| C | 39 | 40 | 50 | 80 | 60 | 100 | ±1 | |||||||||||||||||
| D | 75 | 95 | 115 | 150 | 120 | 196 | ±0.15 | |||||||||||||||||
| E | 85 | 105 | 130 | 170 | 135 | 220 | ±1 | |||||||||||||||||
| F | 39 | 50 | 59 | 75 | 60 | 102 | ±0.5 | |||||||||||||||||
| G | 22 | 20 | 28 | 50 | 35 | 65 | ±0.5 | |||||||||||||||||
| H | 4.2*6.2 | 4.5*6.5 | 4*6 | 6*9 | 4*6 | 8*12 | ±0.15 | |||||||||||||||||
| I | 45 | 50 | 60 | 117 | 90 | 172 | ±0.15 | |||||||||||||||||
| J | M4 | M4 | M4 | M6/M8 | M4/M6 | M8 | ||||||||||||||||||
| K | M4/M6 | M4/M6 | M4/M6 | M8/M10 | M6/M8 | M10 | ||||||||||||||||||
Insertion loss table(In 50ohm system according IEC/CISPR No.17)插入损耗(50欧姆测试系统,IEC/CISPR No.17)
—————— 共模(common mode) — — — — — 差模(differential mode)
6/10A 20/30A

40/50A 80A

100/200A
下一条: YX-92三相四线电源滤波器
上一条: YX-94三相四线电源滤波器
Copyrights?2017 深圳市言必信科技有限公司 粤ICP备17090947号
地址:深圳市宝安区松岗街道溪头社区溪头路22号耀毅大厦9F
座机:0755-27147102 手机:18118799837
传真:0755-27147101
公众号二维码
诚信通二维码
业务员微信二维码